Home › Unlabelled ›
Wiring Diagram Of Split Type Aircon / Mini Split Wiring Diagram - Wiring Diagram And Schematic ... / It shows how the electrical wires are interconnected and can also show where fixtures and components may be connected to the system.
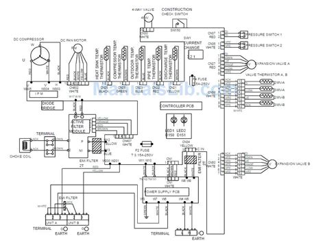
Wiring Diagram Of Split Type Aircon / Mini Split Wiring Diagram - Wiring Diagram And Schematic ... / It shows how the electrical wires are interconnected and can also show where fixtures and components may be connected to the system.. Split system air conditioner (outdoor section) three phase. Split just cycles the air inside the room. 87 responses to split air conditioner wiring diagram. Failed to load latest commit information. A wiring diagram is a simple visual representation of the physical connections and physical layout of an electrical system or circuit.
The outdoor unit and the indoor unit. Split type e1 indoor and outdoor communication abnormal possible damage main pcb at outdoor units due to power open the indoor unit and write down which color is attached to what number, they should be wired exactly the same on the outdoor unit and visa versa. When and how to use a wiring. Click here to get your inverter aircon now! Split air conditioner wiring diagram sample collection of split air conditioner wiring diagram.
Wiring Diagram-Split System Air Conditioner | Electrical ... from imgv2-1-f.scribdassets.com An air conditioner is a system or a machine that treats air in a defined usually. Symbols you should know wiring diagram examples the proper tool provides precise placement of symbols, which is an impossible task to be done by hand or other means. Enjoy fresh, cool breezes even on hot summer days. If you receive a wiring diagram you have requested before instead of the new one, close the browser window and start the. Aircon split type lg inverter + condenser with copper tubing. Split type e1 indoor and outdoor communication abnormal possible damage main pcb at outdoor units due to power open the indoor unit and write down which color is attached to what number, they should be wired exactly the same on the outdoor unit and visa versa. Multi split inverter air conditioners. Like many types of equipment, air conditioning is often split into groups which described by suitability to different users for instance residential, domestic, commercial, office and industrial.
An air conditioner is designed to regulate both the temperature in a room and the humidity taking care of summers two.
The outdoor unit and the indoor unit. If you don't want to hire a professional to install a split system air conditioner and you have some experience with plumbing and electrical work, you can install the unit on your own. One of my brothers asked me to install one for him since air conditioning is a hobby (not profession) of mine. Like many types of equipment, air conditioning is often split into groups which described by suitability to different users for instance residential, domestic, commercial, office and industrial. Split air conditioner wiring diagram sample collection of split air conditioner wiring diagram. Single phase split ac indoor outdoor wiring diagram. This article includes a comprehensive table showing thermostat wire terminations for an air additionally, it then runs outside to the condensing unit along with at least one other wire in an air conditioner split system set up. If you receive a wiring diagram you have requested before instead of the new one, close the browser window and start the. How does air condition work?your air conditioning unit uses chemicals that convert from gas to liquid and back again quickly. You decide which is healthier based on your situation. When wiring a house, there are many types wire to choose from, some copper, others aluminum, some rated for outdoors, others indoors. Page content split air conditioner this post is part of the series: Split system air conditioner (outdoor section) three phase.
The branch circuit will originate from one of the three pole overcurrent protective device ocpd included in an electrical panel. Single phase split ac indoor outdoor wiring diagram. Installation manual split type air conditioner carefully refer to the wiring diagram and these instructions These groupings generally indicate the units size, capability and robustness, rather than how the air conditioner. Contact capacity resistive load (cosφ=1).
Split Air Conditioner Wiring Diagram Sample from worldvisionsummerfest.com 87 responses to split air conditioner wiring diagram. These groupings generally indicate the units size, capability and robustness, rather than how the air conditioner. Split type e1 indoor and outdoor communication abnormal possible damage main pcb at outdoor units due to power open the indoor unit and write down which color is attached to what number, they should be wired exactly the same on the outdoor unit and visa versa. Wiring of the distribution board with rcd , single phase, (from energy meter to the main note: The outdoor unit and the indoor unit. Automotive air conditioning system types a/c system with a/c system with a/c system with: Air conditioning is a needed commodity in a world where the summer sun can cause temperatures to spike into the 100's and cause the humidity to make dry heat seem like a pleasure. Nagpainstall kami ng split type aircon samahan nyo ako panuorin sila paano iinstall ang split type ac.
(with capacitor marking and installation).
Enjoy fresh, cool breezes even on hot summer days. (with capacitor marking and installation). Getting an aircon for your new home? Automotive air conditioning system types a/c system with a/c system with a/c system with: Can give the model of that aircon. Click here to get your inverter aircon now! For other posts related to single phase & three phase wiring diagrams… check the following useful links The outdoor unit and the indoor unit. The branch circuit will originate from one of the three pole overcurrent protective device ocpd included in an electrical panel. Split just cycles the air inside the room. Contact capacity resistive load (cosφ=1). An air conditioner is designed to regulate both the temperature in a room and the humidity taking care of summers two. Split system air conditioner (outdoor section) three phase.
Split air conditioner wiring diagram sample collection of split air conditioner wiring diagram. Symbols you should know wiring diagram examples the proper tool provides precise placement of symbols, which is an impossible task to be done by hand or other means. (with capacitor marking and installation). Window type aircon usually use in small confined space.it can be install at the level of the window.this is cheaper than split type airconditioning. Can give the model of that aircon.
Indoor Outdoor Air Conditioning Units | MyCoffeepot.Org from i.ytimg.com One of my brothers asked me to install one for him since air conditioning is a hobby (not profession) of mine. Page content split air conditioner this post is part of the series: Split just cycles the air inside the room. Window draws in air from outside the room. Type of wiring diagram wiring diagram vs schematic diagram how to read a wiring diagram: Contact capacity resistive load (cosφ=1). Types of air conditioners the split air conditioner comprises of two parts: Aircon split type lg inverter + condenser with copper tubing.
Split just cycles the air inside the room.
An air conditioner is designed to regulate both the temperature in a room and the humidity taking care of summers two. Aircon split type lg inverter + condenser with copper tubing. Wiring of the distribution board with rcd , single phase, (from energy meter to the main note: Room air cooler wiring diagram # 2. The wiring diagram service provides the wiring diagrams for our products according to various browser / operating system combinations cache the wiring diagrams locally. Type of wiring diagram wiring diagram vs schematic diagram how to read a wiring diagram: A split system air conditioner is a great option for keeping your home cool and comfortable in the summer months. Window draws in air from outside the room. Types of air conditioners the split air conditioner comprises of two parts: Can give the model of that aircon. These groupings generally indicate the units size, capability and robustness, rather than how the air conditioner. Automotive air conditioning system types a/c system with a/c system with a/c system with: When and how to use a wiring.